转换效率达97.3%——基于SEPIC转换器的太阳光模拟器电路建模与仿真
太阳光模拟器是测试和分析光伏系统在不同条件下性能的关键工具,研究发现基于SEPIC转换器的太阳光模拟器是开发和测试光伏系统的有效工具,平均功率转换效率达97.3%,能够准确模拟组件在各种条件下的行为,从而提高可靠性和效率。Luminbox太阳光模拟器致力于为科研与工业测试提供高精度、稳定可靠的光源解决方案。我们正不断精进技术,学习行业最新知识,做到能够精准模拟自然太阳光谱,确保实验环境与真实太阳光照条件高度一致。
◆ 简介
研究人员发现SEPIC太阳光模拟器能够精确复制实际光伏组件的I-V特性,所提出的模型集成了一个电力电子阶段和改进的扰动观察(P&O)最大功率点跟踪(MPPT)算法。与传统方法相比,该算法通过更少的代码简化了跟踪过程并具有高功率转换效率。
◆ 光伏电池的单二极管模型
光伏电池是通过光伏效应将太阳光转化为电能的半导体器件,通常由硅或其他半导体材料制成,由于其简单性、准确性以及易于实现,单二极管模型是描述光伏电池行为最常用的等效电路模型,如图1所示。在该模型中,电路由一个与电流源并联的二极管、一个串联电阻和一个并联电阻组成。

图1.光伏电池的单二极管模型

方程(1)和(2)分别表示光伏电池的光电流和输出电流。
方程(1)表明,光伏电池产生的光电流是与它吸收的太阳辐射量成正比。阳光激发光伏电池半导体中的电子,形成电子-空穴对,从而产生光电流。光照强度越高,单位时间内产生的电子-空穴对就越多。
方程(2)简化了光伏电池中的电流平衡,根据光电流的产生、二极管特性以及寄生效应来计算总输出电流。光伏电池可以通过不同的连接方式,如串联或并联,来实现特定的输出特性。
◆ 基于SEPIC转换器的光伏系统太阳光模拟器建模
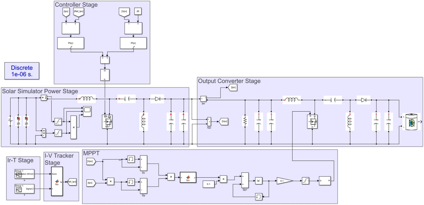
图2展示了研究人员所开发的基于Matlab/Simulink的太阳光模拟器模型用于仿真。辐照度与温度阶段生成太阳辐射和环境温度值,以观察太阳光模拟器的性能表现。在温度恒定、辐照度水平快速变化的场景下,每0.2秒获取一次太阳光模拟器的性能数据,并将其与实际的光伏组件——京瓷KC-60组件进行比较。电流-电压(I-V)跟踪器阶段给出了京瓷KC-60的数学模型,该模型用于创建一个图形化界面,显示光伏组件的性能表现,使用户能够在图形上即时查看电流和电压值。

图2.基于SEPIC的太阳光模拟器电路模型
SEPIC转换器能够调节输出电压,无论输入电压高于、低于还是等于所需的输出电压。在光伏应用中,SEPIC转换器能够提供稳定的电流、较高的电压增益,并且适用于各种场景,因为它们既可以作为降压转换器也可以作为升压转换器工作,且不会在输入和输出之间反转信号。
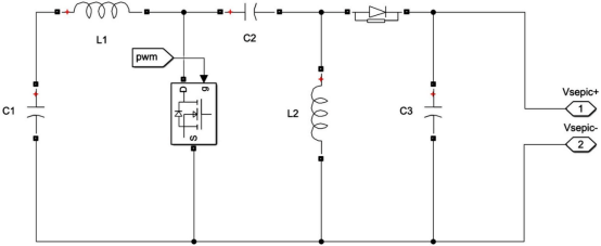
与其它类型的降压转换器相比,该电路所需的滤波电感和电容更小,SEPIC转换器的电路图如图3所示。该电路通过电感和电容在输入和输出阶段之间持续传输能量来工作。SEPIC转换器中电感(L)和电容(C)的值被确定为能够产生所需的电感纹波电流和输出电压纹波。

图3.SEPIC转换器电路图
由于计算过程简单且精度高,P&O是太阳能应用中广泛采用的最大功率点跟踪(MPPT)技术,用于最大化光伏组件的功率输出,与传统的P&O MPPT相比,改进的P&O算法具有诸多优势,例如计算更简便、代码复杂度更低、处理要求更少以及跟踪精度更高。

图4.改进型 P&O 最大功率点跟踪算法流程图
图4展示了改进的P&OMPPT算法的流程图。改进后的P&O算法相较于传统P&O算法这些优势使得改进后的P&O最大功率点跟踪算法成为一种更高效且实用的选择。
由此可见,本研究提出的电路模型在不同环境条件下,是光伏系统开发与测试的高效工具。它能够为光伏技术的研发提供可靠的测试平台,助力研究人员在可控环境中评估光伏系统在不同条件下的性能,对推动光伏产业的发展具有重要意义。Luminbox太阳光模拟器作为专业的光学设备制造商,将时刻关注行业系统开发的最新工具,致力于为光伏材料研究、光催化实验、环境老化测试等领域提供值得信赖的光源保障。